您所在的位置   技术支持 》 减速电机篇 》 台湾阪神系列 》WMT系列


WMT  系列
功率
(W)
 
型号
减速比
重量
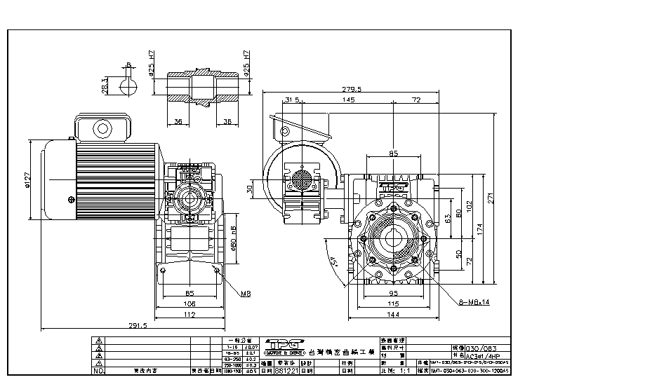
规格
尺寸
DWG
文档下载
100W
单相 WMT-030/040-010-010-080/030-040A 300,400,500,600,750,900,1200,1500,1800,2400,3200
7.1kg/0.6'
单相 WMT-030/050-010-010-060/030-050A 300,400,500,600,750,900,1200,1500,1800,2400,3200
8.3kg/0.8'
单相 WMT-030/063-010-010-060/040-060A 300,400,500,600,750,900,1200,1500,1800,2400,3200
11.0kg/1.0'
单相 WMT-040/075-010-010-060/030-050A 300,400,500,600,750,900,1200,1500,1800,2400,3200
14.9kg/1.2'
三相 WMT-030/040-010-010-080/030-040S 300,400,500,600,750,900,1200,1500,1800,2400,3200
7.1kg/0.6'
三相 WMT-030/050-010-010-060/030-050S 300,400,500,600,750,900,1200,1500,1800,2400,3200
8.3kg/0.8'
三相 WMT-030/063-010-010-060/040-060S 300,400,500,600,750,900,1200,1500,1800,2400,3200
11.0kg/1.0'
三相 WMT-040/075-010-010-060/030-050S 300,400,500,600,750,900,1200,1500,1800,2400,3200
14.9kg/1.2'
200W
单相 WMT-030/050-020-010-025/030-050A 300,400,500,600,750
9.1kg/0.8'
单相 WMT-030/063-020-010-030/040-060A 300,400,500,600,750,900,1200
11.8kg/1.0'
单相 WMT-040/075-020-010-060/030-050A 300,400,500,600,750,900,1200,1500,1800
14.9kg/1.2'
三相 WMT-030/050-020-010-025/030-050S 300,400,500,600,750
9.1kg/0.8'
三相 WMT-030/063-020-010-030/040-060S 300,400,500,600,750,900,1200
11.8kg/1.0'
三相 WMT-040/075-020-010-060/030-050S 300,400,500,600,750,900,1200,1500,1800
14.9kg/1.2'
400W 单相 WMT-040/075-040-010-010/030-050A 300,400,500 18.3kg/1.2'
三相 WMT-040/075-040-010-010/030-050S 300,400,500 16.3kg/1.2'
配速表
030/040
减速比
搭配速比
030
040
300
10
30
400
10
40
500
20
25
600
20
30
750
25
30
900
30
30
1200
30
40
1500
50
30
1800
60
30
2400
60
40
3200
80
40
  
030/050
减速比
搭配速比
030
050
300
10
30
400
10
40
500
10
50
600
20
30
750
25
30
900
30
30
1200
30
40
1500
50
30
1800
60
30
2400
60
40
3200
60
50
  
030/063
减速比
搭配速比
030
063
300
10
30
400
10
40
500
10
50
600
15
40
750
15
50
900
15
60
1200
30
40
1500
30
50
1800
30
60
2400
60
40
3200
60
50
  
040/075
减速比
搭配速比
040
075
300
10
30
400
10
40
500
10
50
600
20
30
750
25
30
900
30
30
1200
30
40
1500
50
30
1800
60
30
2400
60
40
3200
60
50
 
 
 
 
返回上一页
  |  首   页  |  技术支持  |  文档下载  |  企业新闻  |  代理品牌  |  联络我们  |  
销售助理   销售助理 CopyRight 2005 NINETOWNS 沈阳光宇科技有限公司 All Right Reserved.
Please read our
www.31992640.com
电话:
024-31992640    传真:024-31992740   Email:xugy@tom.com
地址:
辽宁省沈阳市沈河区长青街45号306室     邮编:110015
网站备案号:辽ICP备11006204号-1

 
销售助理   销售助理