您所在的位置  技术支持 》 减速电机篇 》 台湾城邦减速电机 》 CH..SZ CH..SZB 卧式高速比附三相缩框铝壳(剎车) 马达减速机

适用机型: CH..SZ, CH..STZ, CH..SZB, CH..STZB

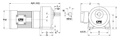
出力轴尺寸
出力轴
键槽
Sh6
P
W
T
Q
SPEC'
22
40
7
25
35
7*7*35
28
45
7
31.5
40
7*7*40
32
55
10
35.5
50
10*8*50
40
65
10
43.5
60
10*8*60
单位(mm)
功率
减速比
本体
型号
A
A1
A2
D
E
F
G
H
J
K
L
M
X
Y
Z
CAD文档
100W
1/8HP
250-1800
1#+2#
22
345
345
345
65
130
158
90
11
33.7
60

13

133
152
97.5
120
200W
1/4HP
250-1800
1#+3#
28
390
390
390
90
140
178
120
11
39.1
70.5
17
133
178
116
125
400W
1/2HP
250-1800
2#+4#
32
470
470
470
130
170
215
165
13
47.9
70
21
167
216
138.5
135
750W
1HP
250-1800
3#+5#
40
580
580
580
150
210
265
205
15
59.1
83
23
167
250
160
200
备注: A :三相铝壳马达
A1 :三相铁壳马达
A2 :三相马达附刹车器
 
返回上一页
  |  首   页  |  技术支持  |  文档下载  |  企业新闻  |  代理品牌  |  联络我们  |  
销售助理   销售助理 CopyRight 2005 NINETOWNS 沈阳光宇科技有限公司 All Right Reserved.
Please read our
www.31992640.com
电话:
024-31992640    传真:024-31992740   Email:xugy@tom.com
地址:
辽宁省沈阳市沈河区长青街45号306室     邮编:110015
网站备案号:辽ICP备11006204号-1

 
销售助理   销售助理