您所在的位置  技术支持 》 链轮篇 》05B-T(台式)

返回上一页

 
  
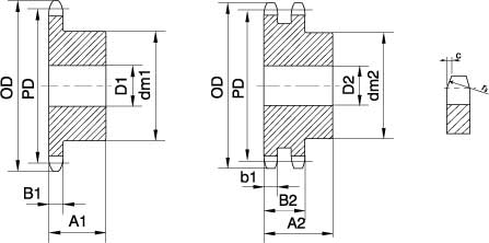
节距
8mm
滚子直径
5mm
齿牙半径r3
8mm
齿牙高C
0.8mm
齿牙宽度B1
2.8mm
齿牙宽度b1
2.7mm
齿牙宽度B2
8.3mm
 
型号
齿数
OD
PD
单排
双排
dm1
D1
A1
dm2
D2
A2
05B-8Z-T
8
23.40
20.90
13
6
12
12
6
18
05B-9Z-T
9
25.90
23.39
15
6
12
15
6
18
05B-10Z-T
10
28.40
25.89
17
6
12
17
8
18
05B-11Z-T
11
31.00
28.39
18
7
13
19
8
18
05B-12Z-T
12
33.70
30.91
20
7
13
21
8
18
05B-13Z-T
13
36.70
33.42
23
7
13
24
8
18
05B-14Z-T
14
39.20
35.95
25
7
13
26
8
18
05B-15Z-T
15
41.70
38.48
28
7
13
29
8
18
05B-16Z-T
16
44.20
41.01
30
8
14
32
10
20
05B-17Z-T
17
46.70
43.53
30
8
14
34
10
20
05B-18Z-T
18
49.20
46.07
30
8
14
37
10
20
05B-19Z-T
19
51.70
48.61
30
8
14
39
10
20
05B-20Z-T
20
54.20
51.14
30
8
14
40
10
20
05B-21Z-T
21
57.20
53.67
35
8
14
45
12
20
05B-22Z-T
22
59.40
56.21
35
8
14
45
12
20
05B-23Z-T
23
62.20
58.75
35
8
14
45
12
20
05B-24Z-T
24
64.70
61.29
35
8
14
45
12
20
05B-25Z-T
25
67.20
63.83
35
8
14
45
12
20
05B-26Z-T
26
69.70
66.37
40
10
16
50
12
22
05B-27Z-T
27
72.30
68.91
40
10
16
50
12
22
05B-28Z-T
28
74.70
71.45
40
10
16
05B-29Z-T
29
77.20
73.99
40
10
16
05B-30Z-T
30
80.20
76_53
40
10
16
50
12
22
05B-31Z-T
31
82.70
79.08
40
12
16
05B-32Z-T
32
85.20
81.61
40
12
16
60
12
22
05B-33Z-T
33
87.70
84.16
40
12
16
05B-34Z-T
34
90.20
86.70
40
12
16
05B-35Z-T
35
92.70
89.24
40
12
16
60
12
22
05B-36Z-T
36
95.20
91.79
40
12
16
60
12
22
05B-37Z-T
37
97.70
94.33
40
12
16
05B-38Z-T
38
100.20
96.88
40
12
16
60
12
22
05B-39Z-T
39
102.70
99.42
40
12
16
05B-40Z-T
40
105.20
101.97
40
12
16
60
12
22
05B-45Z-T
45
118.60
114.69
60
12
20
05B-50Z-T
50
131.50
127.41
60
12
20
05B-57Z-T
57
149.30
145.22
80
14
20
 
返回上一页
  |  首   页  |  技术支持  |  文档下载  |  企业新闻  |  代理品牌  |  联络我们  |  
销售助理   销售助理 CopyRight 2005 NINETOWNS 沈阳光宇科技有限公司 All Right Reserved.
Please read our
www.31992640.com
电话:
024-31992640    传真:024-31992740   Email:xugy@tom.com
地址:
辽宁省沈阳市沈河区长青街45号306室     邮编:110015
网站备案号:辽ICP备11006204号-1

 
销售助理   销售助理